Filtruj produkty
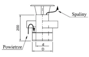
Zestaw poziomy przez ścianę 60/100 do kotłów kondensacyjnych firmy Immergas
435,00 zł
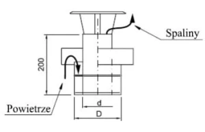
Zestaw poziomy przez ścianę 60/100 do kotłów kondensacyjnych firmy Saunier Duval
408,00 zł
Zaloguj się
pn-pt: 08:00-16:00 32 386 74 11