Terma PAJĄK 1800x631 - Grzejnik dekoracyjny
Grzejnik PAJĄK wykonany jest w całości z elementów miedzianych nielakierowanych, które z czasem pokrywają się naturalną patyną, nabierając dodatkowego uroku i szlachetnego wyglądu.
Cena regularna:
towar niedostępny
dodaj do przechowalni
Opis
Projekt grzejnika czerpie z bogatej tradycji polskiego rękodzieła, nawiązując do kunsztownych form zdobniczych zwanych „pająkami”. To przestrzenna konstrukcja wykonana z miedzi, która doskonale wpisuje się w nowoczesne, postindustrialne wnętrza. Idealnie komponuje się ze stylem loftowym, a w tradycyjnych mieszkaniach zachwyca oryginalnym kontrastem.
Dzięki różnorodnym drewnianym wieszakom stanowi nie tylko designerską dekorację, ale także praktyczny element przedpokoju czy korytarza. Z biegiem czasu pokrywa się naturalną patyną, co nadaje jej niepowtarzalny charakter i szlachetny wygląd.
To modułowe rozwiązanie pozwala na swobodną personalizację – niczym układanie klocków, możesz dostosować konstrukcję do swoich potrzeb i przestrzeni. Dostępny w trzech wariantach: wodnym, wodno-elektrycznym oraz elektrycznym.
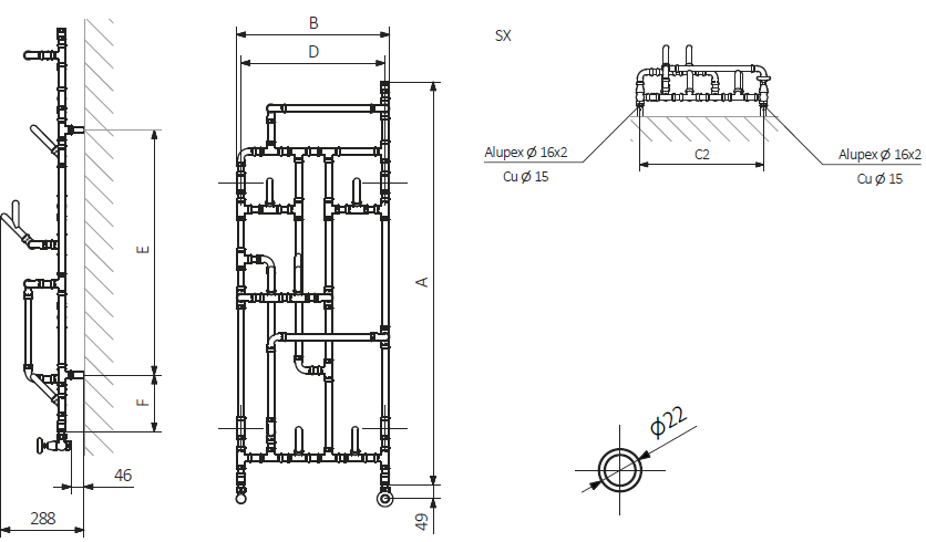
Rysunek:
| Wysokość | Szerokość | Rozstaw Podłączeń | Wydajność | Sugerowana Moc Grzałki | Pojemność | Waga | |||
| A | B | C2 | 55/45/20°C* | 75/65/20°C* | |||||
| [mm] | [mm] | [mm] | [W] | [W] | [dm³] | [kg] | |||
| 1800 | 631 | 500 | 310 | 582 | 600 | 3,58 | 12,53 | ||
Możliwości podłączeń:

Grzejnik do instalacji c.o. z możliwością rozbudowy do grzejnika elektryczno-wodnego lub wyłącznie elektrycznego. Zdjęcia mają charakter podglądowy a cena nie obejmuje zaworów. Grzejnik dostarczany jest w komplecie z wieszakami drewnianymi.
Dane techniczne
| Gabaryt | STANDARD |

